WH05Z120-00400-00840-EN0000-04
Can't find what you're looking for? Go to the Product Selector
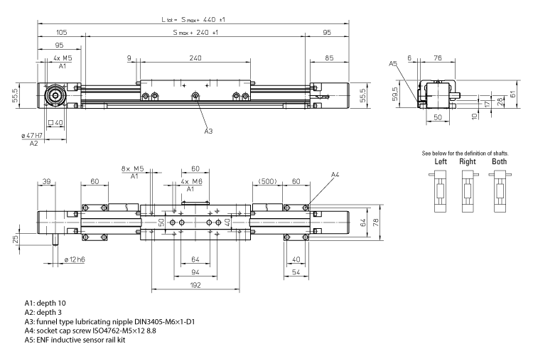
直線運動單元, WH50, 皮帶 Drive, 滾輪 Guide, 0.05 毫米 Repeatability, 400 毫米 Stroke, 840 毫米 Overall Length, 單個標準滑塊, 120 毫米 Travel Per Shaft Rev, Shaft On Left Side Without Keyway And Shaft On Right Side With Keyway, 6500 Maximum Linear Speed
- 取代
- 速度最高6.5 m/s
- Belt Driven
- 帶驅(qū)動
